

1.Zinc alloy body and galvanized lock plate
2. Surface treatment: bright chrome plating/spray black coating
3. Opening method: Turn the key to the left 180 °, press the lock core, and turn the handle to the right 90 ° after the handle pops up (the positioning part can be adjusted as needed to achieve left door opening and left rotation)
4. Applicable door panel thickness: thickness ≤ 4mm
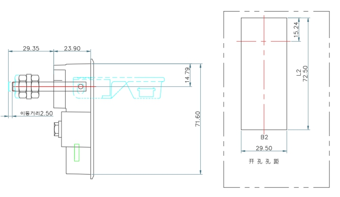
| 基本尺寸/Basic dimensions | 产品型号 Product model | 产品单重(克) Product weight per unit | 装箱数 PCS | ||||
| L1 | L2 | L3 | B1 | B2 | |||
| 77.6 | 72.5 | 35 | 34.5 | 29.5 | KL-3430 | 199g | 100 |
| 77.6 | 72.5 | 35 | 34.5 | 29.5 | KL-3431 | 219 | 100 |