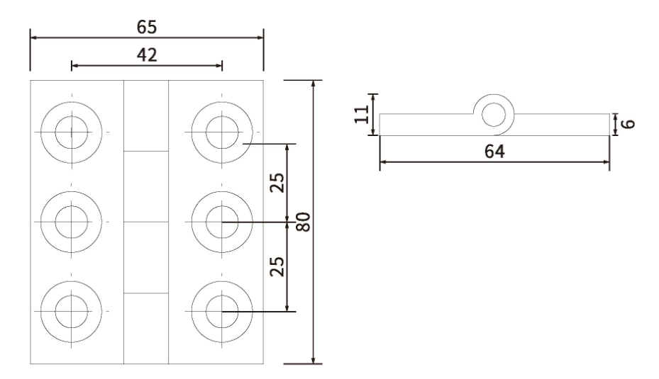
KL-80*65

1.材质:304不锈钢2.表面处理:抛光

image.png

1. Material: 304 stainless steel

2. Surface treatment: polishing

  型号 

Product no.

单重

Weight

装箱数

pcs

装箱规格

packing specification

CL-80*65219.1g10033*26*9.3


推荐产品 RECOMMENDED PRODUCTS

    KL-MS6018-1

    KL-MS609

    KL-111166

    KL-11114

    KL-MS-713

    KL-MS-305

    KL-MS-818

    KL-MS-606-2