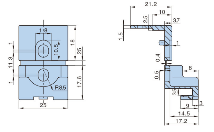
KL-RG03

1.主体材质:PA 2.防水等级:IP65

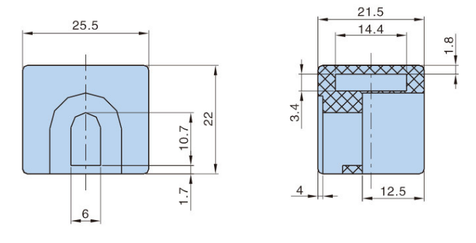
KL-RG03-1

image.png

KL-RG03-2

image.png

1.Main material: PA

2.Waterproof grade: IP65

推荐产品 RECOMMENDED PRODUCTS

    KL-MS6018-1

    KL-MS609

    KL-111166

    KL-11114

    KL-MS-713

    KL-MS-305

    KL-MS-818

    KL-MS-606-2