
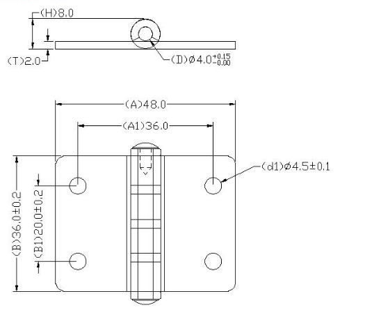
1. Material: 304 stainless steel
2. Surface treatment: hand polished mirror/magnetic polishing
3. Can be opened 180 °
产品型号 Product Mode | 材质 Material quality | 单重 Weight | 装箱数 pcs | 箱重 BOX Weight | 装箱规格 packing specification |
| HFL33-66 | 304不锈钢 | 33.09g | 500 | 17.44kg | 26.5*24*21 |