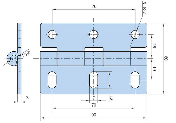
KL-115-1

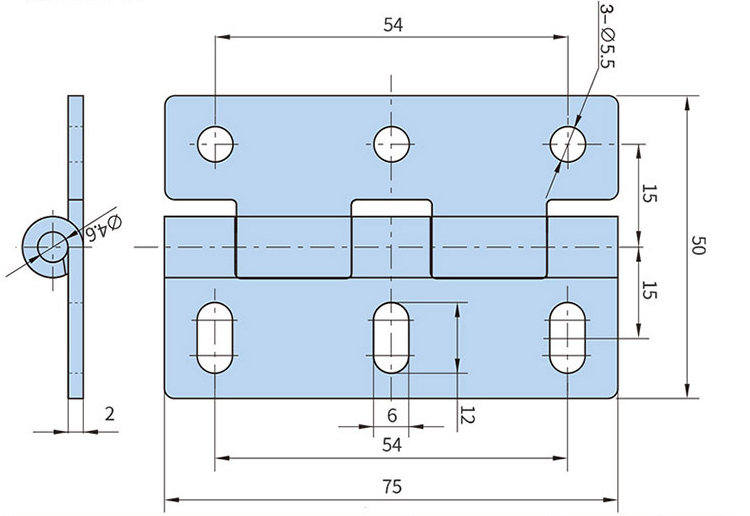
KL-115-2

1.Main material: stainless steel dynamic and static hinges, stainless steel pins
2.Surface color: brushed
3.Remarks: Rotate about 180 °
| 基本尺寸 Dimensions | 产品型号 Product Number | 产品单重(g) Weight | 装箱数 Lot | ||||||||||
| L1 | L2 | L3 | L4 | L5 | L6 | H1 | H2 | T | ∅A | ∅B | |||
| 90 | 70 | 60 | 70 | 19 | 19 | 12 | 7 | 3 | 6.1 | 7 | KL-115-1 | 170.5 | 200 |
| 75 | 54 | 50 | 54 | 15 | 15 | 12 | 6 | 2 | 4.6 | 5.5 | KL-115-2 | 77 | 300 |