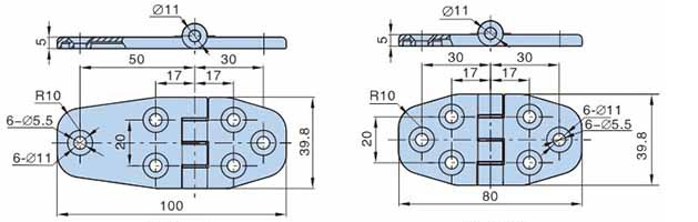
KL-087-1 KL-087-2 KL-087-3


1.Material: Zinc alloy dynamic and static hinges, divided into stainless steel and nickel plated steel pins, stainless steel washers.
2.Surface treatment: spray matte black.
3.Remarks: rotate about 180 °
| 型号 Product no. | 产品单重(g)Weight | 装箱数Lot |
| KL-087-1 | 75 | 300 |
| KL-087-2 | 69 | 300 |
| KL-087-3 | 90.5 | 300 |