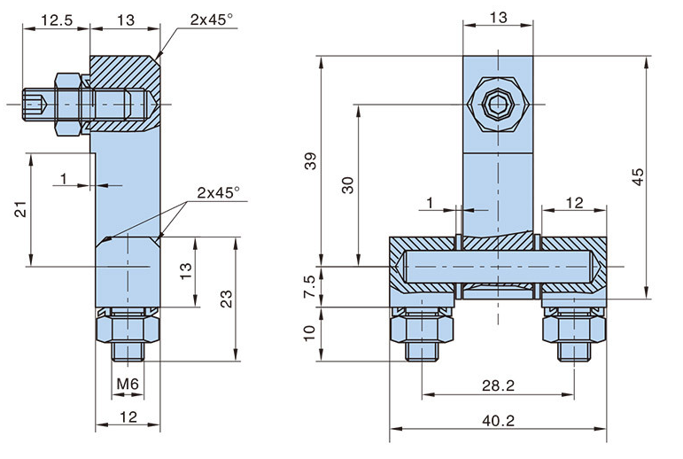
KL-084

1.主体材质:镀锌钢铰链2.表面颜色:镀蓝白锌3.备注:转动角度约为180°

image.png

1.Main material: galvanized steel hinge 

2.Surface color: blue white zinc plated 

3.Remarks: Rotation angle is about 180 °

型号 Product no.产品单重(g)Weight装箱数Lot
KL-084100300


推荐产品 RECOMMENDED PRODUCTS

    KL-MS6018-1

    KL-MS609

    KL-111166

    KL-11114

    KL-MS-713

    KL-MS-305

    KL-MS-818

    KL-MS-606-2