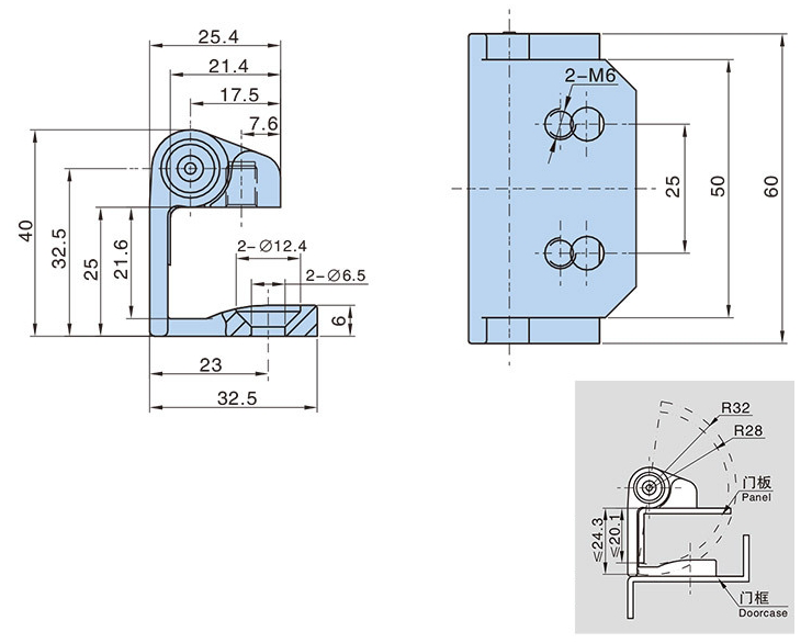
KL-073

1.主体材质:锌合金动、静铰链,碳钢销子2.表面颜色:喷沙纹黑3.备注:转动约180°

image.png


1.Main material: zinc alloy dynamic and static hinges, carbon steel pins. 

2.Surface color: sandblasted black. 

3.Remarks: Rotate about 180 °

型号 Product no.产品单重(g)Weight

装箱数Lot

KL-073181200


推荐产品 RECOMMENDED PRODUCTS

    KL-MS6018-1

    KL-MS609

    KL-111166

    KL-11114

    KL-MS-713

    KL-MS-305

    KL-MS-818

    KL-MS-606-2