
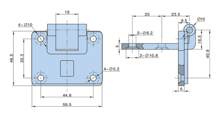
1.Main material: Zinc alloy dynamic and static hinges, divided into stainless steel and nickel plated steel pins, galvanized steel pressure plate
2.Surface treatment: sandblasting and chrome plating
3.Remarks: Rotate about 180 °
| 型号 Product no | 产品单重(g)Weight | 装箱数Lot |
| KL-013 | 140 | 200 |