
1. Material: Zinc alloy material, carbon steel pin
2. Surface treatment: blue, black, matte black
3. Rotation angle: approximately 180 °
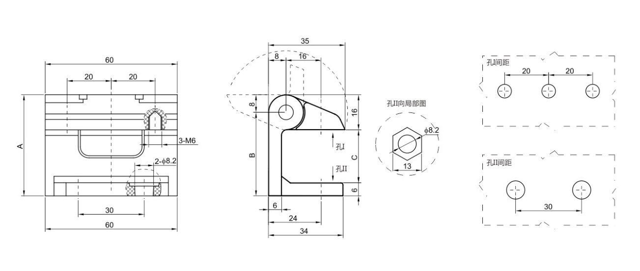
| 产品尺寸/Basic dimensions | 产品型号 Product Model | 产品单重 Weight | 装箱数/PCS | 备注/note | ||
| C | B | A | ||||
| 29 | 43 | 51 | CL213-2 | 274 | 80 | |
| 24 | 38 | 46 | CL213-2-5 | 263 | 80 | |