
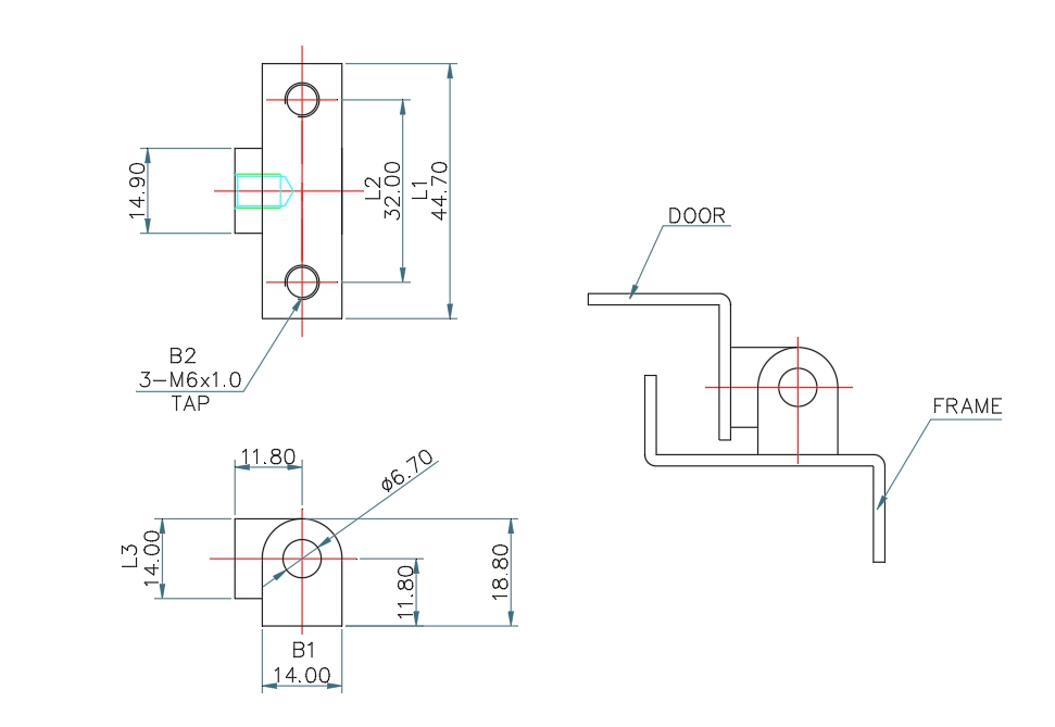
1. Zinc alloy body, carbon steel pins and screws
2. Surface treatment: black, chromium, blue
3. Structural description: Rotation is about 180 °
| 基本尺寸/Basic dimensions | 产品型号 Product Model | 产品单重 Weight | 装箱数 PCS | ||||
| L1 | L2 | L3 | B1 | B2 | CL-222 | 63.5 | 500 |
| 44.7 | 32 | 14 | 14 | 3-M6×1.0 | |||