


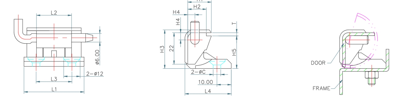
1. Material: Zinc alloy dynamic and static hinges/304 stainless steel pins and carbon steel pins
2. Surface treatment: Bright chrome plating/black spraying
3. Remarks: Rotate approximately 180 °
| 基本尺寸/Basic dimensions | 产品型号 Product Model | 产品单重 Weight | 装箱数 PCS | ||||||||||
| H1 | H2 | H3 | H4 | H5 | L1 | L2 | L3 | L4 | ∅ | T | |||
| 18 | 15.5 | 27.5 | 5.5 | 23 | 52 | 40 | 35 | 33 | 6.2 | 2.3 | CL-004-1 | ||
| 16 | 13 | 27 | 5 | 22.5 | 42 | 24.5 | 25 | 32.5 | 5.3 | 2.2 | CL-004-2 | ||
| 17.5 | 14 | 28 | 6 | 22.5 | 42 | 25 | 34 | 33 | 6.2 | 3.2 | CL-004-3 | ||