
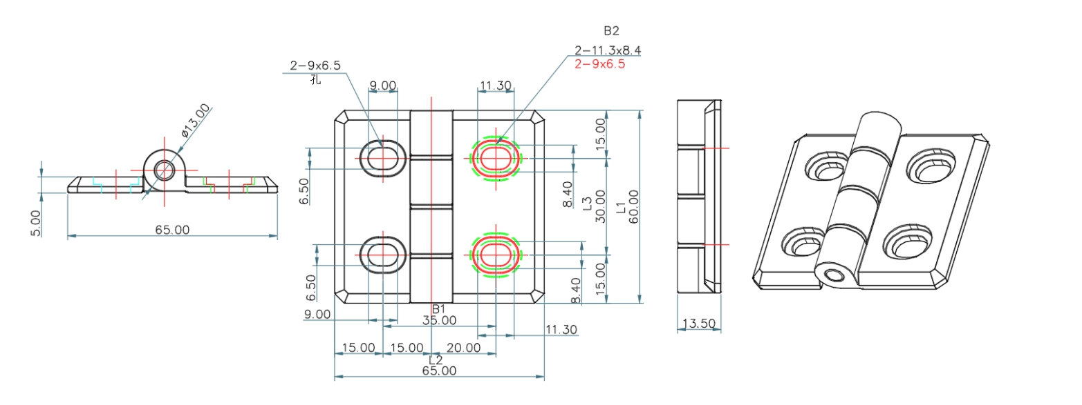
1. Material: Zinc alloy hinge/carbon steel pin
2. Surface treatment: Bright chrome/Sand chrome/Spray black/Spray black/Electrophoretic black
3. Remarks: Rotate approximately 180 °
| 基本尺寸/Basic dimensions | 产品型号 Product Model | 产品单重 weight | 装箱数 PCS | ||||
| L1 | L2 | L3 | B1 | B2 | CL-6055-长孔 | ||
| 60 | 65 | 30 | 35 | 2-11.3*8.4 | |||