
1. Material: Zinc alloy hinge, stainless steel pin
2. Surface treatment: Bright chrome/matte chrome/spray black
3. Remarks: Stainless steel gasket/plastic gasket can be used
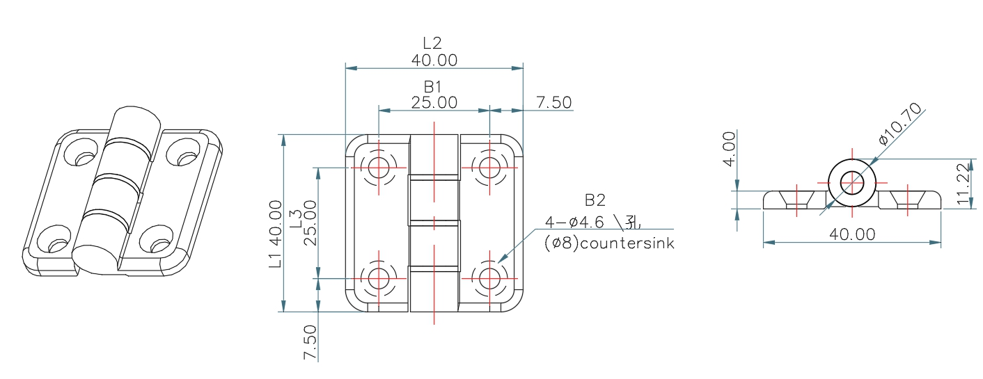
| 基本尺寸/Basic dimensions | 产品型号 Product Model | 产品单重 Weight | 装箱数 PCS | ||||
| L1 | L2 | L3 | B1 | B2 | CL-4040 | 500 | |
| 40 | 40 | 25 | 25 | 4-∅4.6 | |||