

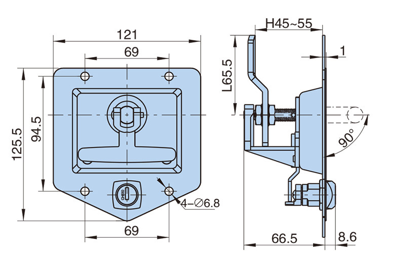
1.Main material: stainless steel panel, zinc alloy handle, lock housing, shaft sleeve carbon steel screw, lock plate.
2.Surface treatment: mirror polished stainless steel panel, chrome plated handle, lock housing accessories plated with blue and white zinc
| 型号 Product no. | 产品单重(g)Weight | 装箱数Lot |
| KL5094Z-1-1 | 660.2 | 24 |