


1. Zinc alloy body and galvanized locking plate
2. Surface treatment: Nano matte paint
3. Opening method: Turn the key 180 ° to the left, press the lock cylinder, and after the handle pops up, turn the handle 90 ° to the right (the positioning part can be adjusted as needed to achieve left door opening and left rotation)
4. Applicable door panel thickness: thickness ≤ 4mm
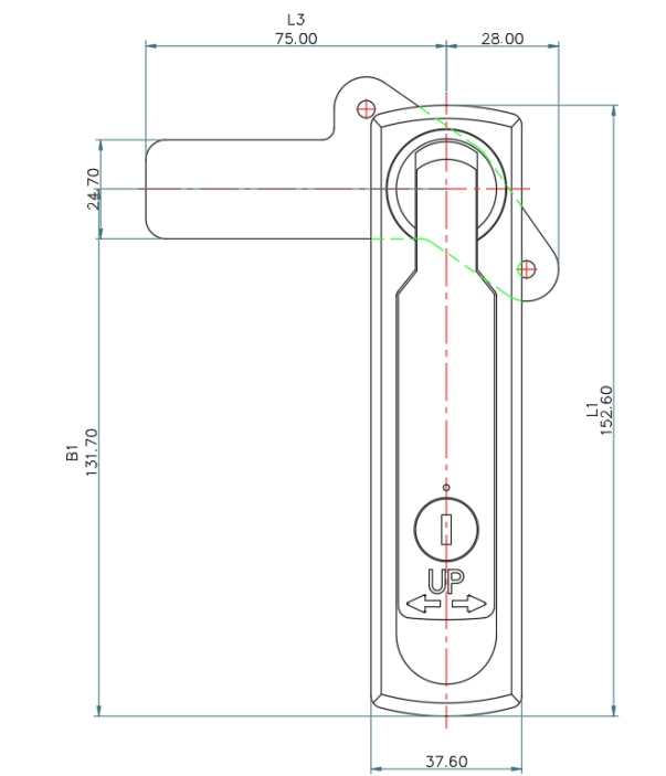
| 基本尺寸/Basic dimensions | 产品型号 Product Model | 产品单重(g) weight | 装箱数 PS | ||||
| L1 | L2 | L3 | B1 | B2 | KL-2-90-3 | ||
| 152.6 | 141 | 75 | 131.7 | 30 | |||