
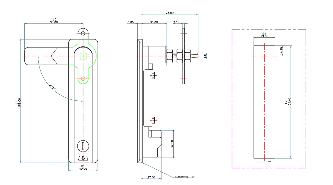
1.Material: Zinc alloy body, galvanized pressure plate, lock plate, key.
2. Surface treatment: sprayed matte black, plated with bright chromium.
3. Applicable door panel thickness: 1-4mm
| 基本尺寸/Basic dimensions | 产品型号 Product model | 产品单重 Product weight per unit | 装箱数 PCS | ||||
| L1 | L2 | L3 | B1 | B2 | KL-2-30 | ||
| 169 | 154 | 80 | 40 | 29 | |||