
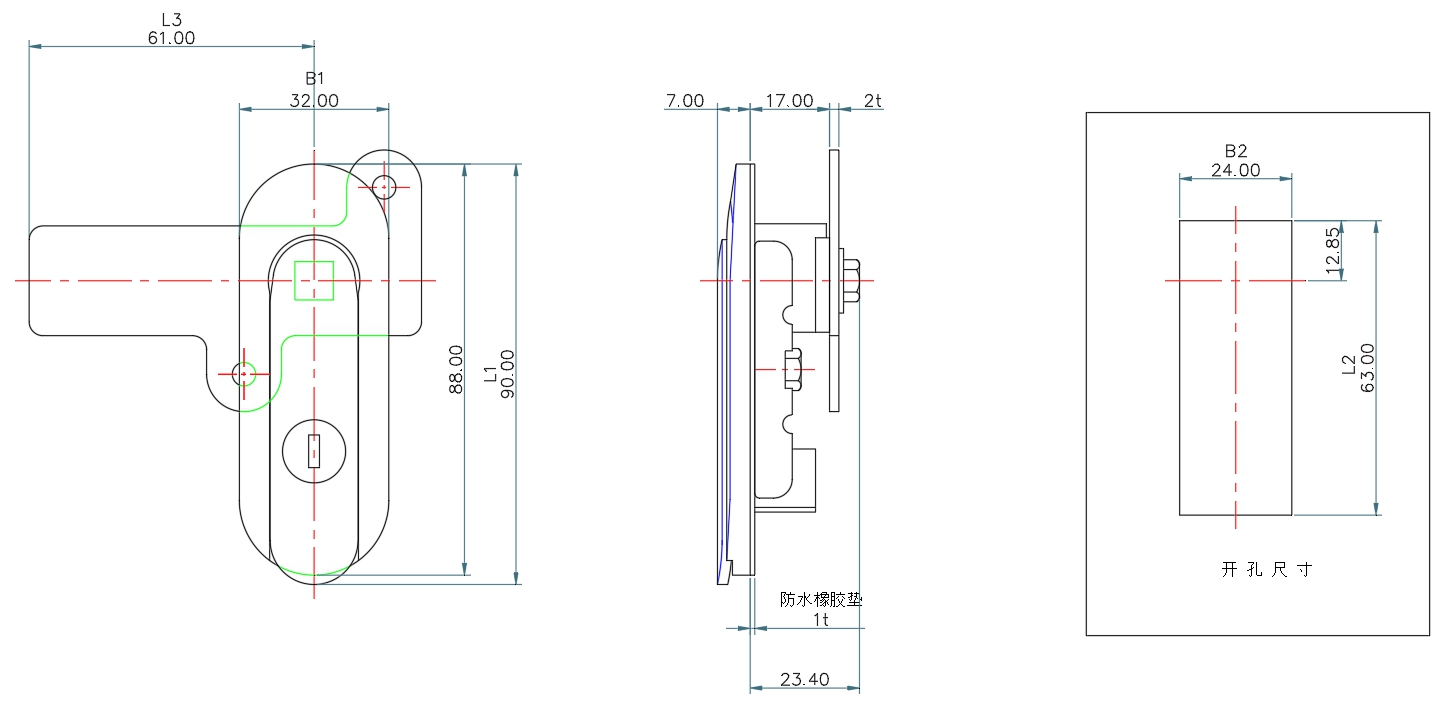
1. Material: Zinc alloy base and handle, carbon steel bolt and pressure plate
2. Surface treatment: Electroplating bright chromium/sand chromium spray black with multiple processes, accessories plated with blue and white zinc
3. Structural description: Lift the handle and rotate it 90 ° to achieve opening or locking
| 基本尺寸/Basic dimensions | 产品型号/Product Model | 产量单重 Product weight per unit | 装箱数 pcs | ||||
| L1 | L2 | L3 | B1 | B2 | KL-003 | 100 | |
| 90 | 63 | 61 | 32 | 24 | |||