
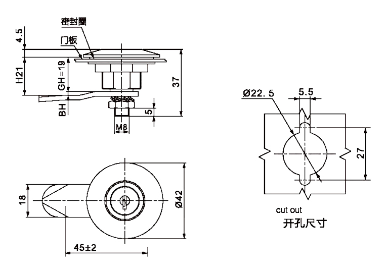
Material: Zinc alloy lock shell and lock core, carbon steel rigid bolt
Surface treatment: Bright chrome plating, blue white zinc plating on accessories
Structural description: 90 ° rotation to achieve opening or locking
| 产品品名/Product Model | 产品单重/Weight | 装箱数/PCS |
| MS-804 |