
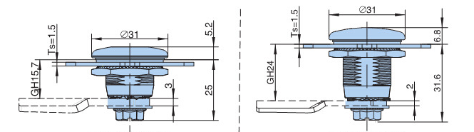
KL815-1/-2/-3/-4 KL815-1A/-2A/-3A


1.Material: Zinc alloy lock cover, lock shell, carbon steel lock plate, stainless steel spring plate.
2.Surface treatment: sandblasted black, sandblasted bright chromium plating.
3.Structural function: 90 ° rotation to achieve opening or locking.
4.Applicable door panel thickness: 1-10mm
| 图号 | 编号 | 折弯高度BH | 中心距L | 锁片成型方向 |
| KL815-1A.S01/00 | 1D4500T30 | 0 | 45 | 0°正成型 |
| KL815-1A.S09/00 | 1D4504T30 | 4 | 45 | 90°正成型 |
| KL815-1A.S02/00 | 1D4508T30 | 8 | 45 | |
| KL815-1A.S03/00 | 1D4510T30 | 10 | 45 | |
| KL815-1A.S04/00 | 1D4512T30 | 12 | 45 | |
| KL815-1A.S05/00 | 1D45F04T30 | 4 | 45 | 90°反成型 |
| KL815-1A.S06/00 | 1D45F08T30 | 8 | 45 | |
| KL815-1A.S07/00 | 1D45F10T30 | 10 | 45 | |
| KL815-1A.S08/00 | 1D45F12T30 | 12 | 45 |
| 产品型号及特性Product Number | 产品单重(g)Weight | 装箱数Lot | |
| 直槽芯 Slot insert | KL815-1 | 78.5 | 200 |
| 四方芯 Square insert | KL815-2 | 76 | 200 |
| 三角芯 Triangular insert | KL815-3 | 72.5 | 200 |
| 五角芯 Pentagonal inert | KL815-4 | 75 | 200 |
| 直槽芯 Slot insert | KL815-1A | 94.2 | 200 |
| 四方芯 Square insert | KL815-2A | 90.6 | 200 |
| 三角芯 Triangular insert | KL815-3A | 90 | 200 |