
1. Material: Zinc alloy body, galvanized steel stop washer, locking plate
2. Surface treatment: Spray matte black
3. Applicable door panel thickness: 1-8MM
4. Remarks: Compression type door lock; The compression amount is about 7MM. The bolt has flat plates, a height of 12MM, and a height of 27MM. The lock core rotates 210 °
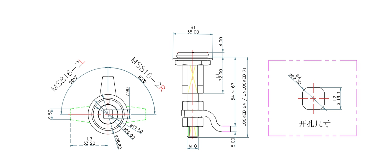
| 基本尺寸/Basic dimensions | 产品品名 Product Model | 产品单重 Weight | 装箱数 PCS | ||||
| L1 | L2 | L3 | B1 | B2 | MS816-2 | 135 | 100 |
| 32 | 19.3 | 33.2 | 35 | ∅22.3 | |||