KL103C-1

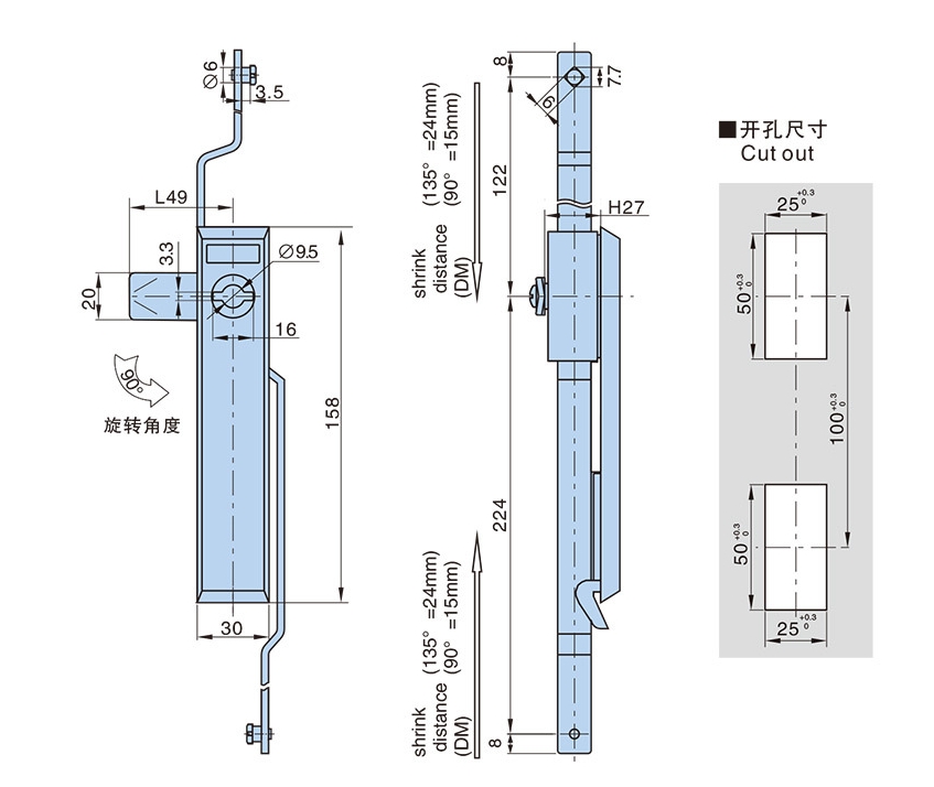
1.主体材质:PA锁体,锌合金齿轮盒,镀锌锁片、喷砂镀亮铬齿条2.表面处理:黑色沙纹面3.结构功能:1~2MM

微信截图_20230924150334.jpg

1.Main material: PA lock body, zinc alloy gear box, galvanized lock plate, sandblasted bright chrome plated rack

2.Surface treatment: black sand grain surface

3.Structural function: 1-2MM

型号 Producut no.产品单重(g)Weight

装箱数

Lot

KL103C-130050


推荐产品 RECOMMENDED PRODUCTS

    KL-MS6018-1

    KL-MS609

    KL-111166

    KL-11114

    KL-MS-713

    KL-MS-305

    KL-MS-818

    KL-MS-606-2